考试要求:
1、考试方式:计算机操作,闭卷;
2、考试时间:180分针;
3、新建文件夹,以“准考证号+姓名”命名,用于存放本次考试中生成的全部文件。
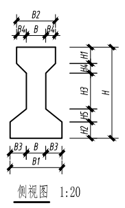
一、根据如下混凝土梁正视图与侧视图,建立混凝土梁构件参数化模板,混凝土强度取C30,并如图设置相应参数名称,各参数默认值为:H=700,H1=H2=125,H3=275,H4=B4=75,H5=100,B3=125,B1=400,B2=300,B=150,同时应对各参数进行约束,确保细部参数总和等于总体尺寸参数。请将模型以“混凝土梁+考生姓名.xxx”为文件名保存到考生文件夹中。(15分)







